RF Transceiver

About

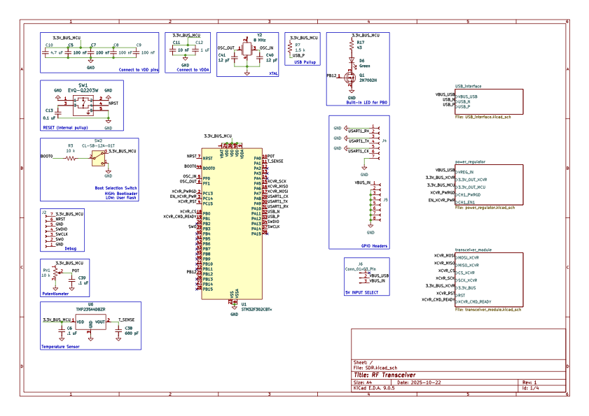
This project enables RF communication between two STM32F302 MCUs over the 460 MHz band. It includes two analog peripherals, a potentiometer and a temperature sensor, so there is data available to transmit during testing.

The aim of the project is to get the designer familiar with RF PCB design.

The system will be used to command the Attitude Determination and Control System (ADCS) from the base station (computer application). The RF and ADCS systems will communicate over UART which has been exposed on the header pins of the PCB.

When the systems are connected, 5V power will be supplied via the ADCS, and can be selected with a jumper on the board. The two systems will communicate over USART, which has been exposed on pin headers.

Primary Components

Part Number Description
STM32F302 Microcontroller
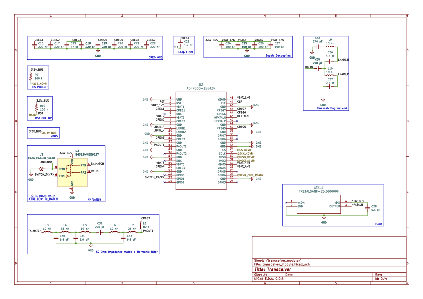
ADF7030 RF Transceiver
BGS12WN6 RF Switch
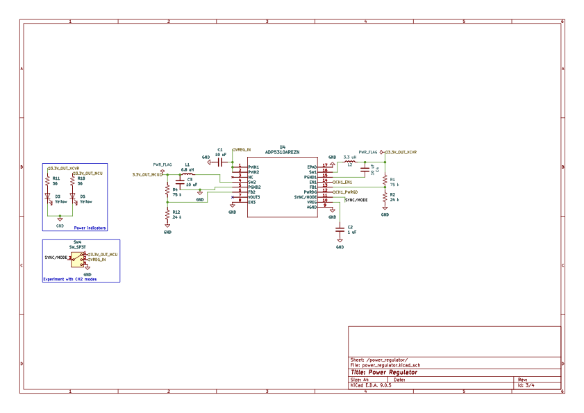
ADP5310 3.3 V Buck Converter

Status and Next Steps

The software to communicate with and control the ADF7030 is written and working. The communication link is verified, and packets are transmitted back and forth. Now, a central control system to integrate with the ADCS is being tested.

Previous
Previous

Attitude Determination and Control System

Next
Next

RGB LED Display