MCF8315D Breakout Board
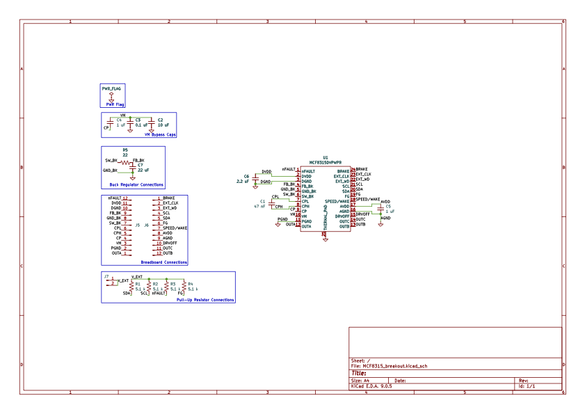
This is a breakout board for the MCF8315D motor driver. It is being used to write a library for the IC. A Nucleo L031K6 is being used to drive the breakout board.
This is a breakout board for the MCF8315D motor driver. It is being used to write a library for the IC. A Nucleo L031K6 is being used to drive the breakout board.